变频器
应用概述
应用概述
在许多工业环境中大量使用电动机来执行各种任务和功能,例如转动轴、驱动泵、风扇和电动工具。变频器,用于控制电动机的速度和扭矩-通常是三相交流感应或三相无刷直流电机-采用专门开发的控制方法,如变频驱动(VFD)或磁场定向控制(FOC)。当运动加速度、速度和位置需要最大精度时使用伺服电机-例如在工业自动化,机器人技术,数控机械中-能够实现最高的能效和可靠的性能。
上述变频器/伺服的驱动主要由功率器件执行,jinnianhui今年会针对该领域推出IGBT单管、IGBT模组、PIM模组等系列化产品。
变频器
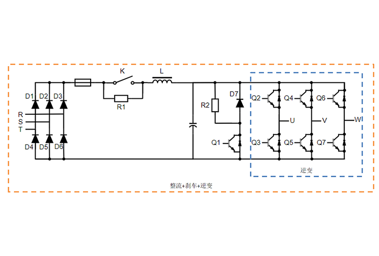
应用系统图
应用系统图
变频器
应用拓扑图
应用拓扑图
变频器
推荐产品
推荐产品
IGBT单管产品清单
| Part Number | VCE(V) | Ic(A)@100℃ | Vcesat(V) @25℃ typ |
Eon(mJ) | Eoff(mJ) | Package | Datasheet |
|---|---|---|---|---|---|---|---|
| MPBQ120N65GSF | 650 | 120 | 1.3 | 5.32 | 6.88 | TO-247 plus | Download |
| MPBW25N120BF | 1200 | 25 | 1.9 | 1.6 | 1.9 | TO-247 | Download |
| MPBW40N120ES | 1200 | 40 | 1.55 | 2.2 | 2.84 | TO-247 | Download |
| MPBL75N120BF | 1200 | 75 | 1.9 | 5.4 | 4.1 | TO-264 | Download |
| MPBQ75N120BF | 1200 | 75 | 1.9 | 4.6 | 4.4 | TO-247 plus | Download |
IGBT模块产品清单
| Part Number | VCE(V) | Ic(A)@100℃ | Vcesat(V) @25℃ typ |
Eon(mJ) | Eoff(mJ) | Package | Datasheet |
|---|---|---|---|---|---|---|---|
| MPFF150R12KB | 1200 | 150 | 1.81 | 9.4 | 7.39 | 62mm module | Download |
| MPFF200R12KBF | 1200 | 200 | 2 | 8.8 | 13.6 | 62mm module | Download |
| MPFF400R12KBF | 1200 | 400 | 1.9 | 27.8 | 38.9 | 62mm module | Download |
| MPFF450R12KBF | 1200 | 450 | 2.04 | 88.4 | 43.7 | 62mm module | Download |
| MPFF600R12MBF M3 | 1200 | 600 | 2.2 | 151.3 | 88.6 | EconoDUAL 3 | Download |
| MPFF600R12MBF M5 | 1200 | 600 | 1.65 | 118.4 | 79.2 | EconoDUAL 3 | Download |
| MPFF300R17KBF | 1700 | 300 | 1.95 | 70.5 | 62.4 | 62mm module | Download |
| MPFF450R17MBF | 1700 | 450 | 2.29 | 153.1 | 131.5 | EconoDUAL 3 | Download |
PIM产品清单
| Part Number | VCE(V) | Ic(A)@100℃ | Vcesat(V) @25℃ typ |
Eon(mJ) | Eoff(mJ) | Package | Datasheet |
|---|---|---|---|---|---|---|---|
| MPFP15R12WBF | 1200 | 15 | 2 | 1.74 | 0.86 | EasyPIM 1B | Download |
| MPFP25R12CBF | 1200 | 25 | 1.98 | 4.25 | 1.64 | EconoPIM 2 | Download |
| MPFP25R12EBF | 1200 | 25 | 2.04 | 3.21 | 1.32 | EasyPIM 2B | Download |
| MPFP25R12FBF | 1200 | 25 | 1.99 | 4.9 | 1.7 | EconoPIM 2 | Download |
| MPFP40R12CMF | 1200 | 40 | 1.78 | 5.21 | 1.32 | EconoPIM 2 | Download |
| MPFP40R12EBF | 1200 | 40 | 1.94 | 4.61 | 2.19 | EasyPIM 2B | Download |
| MPFP40R12FBF | 1200 | 40 | 2.23 | 10.1 | 2.3 | EconoPIM 2 | Download |
| MPFP50R12FBF | 1200 | 50 | 2.25 | 15.8 | 3.49 | EconoPIM 2 | Download |
| MPFP50R12DBF | 1200 | 50 | 1.88 | 12.78 | 3.71 | EconoPIM 3 | Download |
| MPFP50R12TBF | 1200 | 50 | 1.94 | 24.4 | 4.93 | EconoPIM 3 | Download |
| MPFP75R12DBF | 1200 | 75 | 1.98 | 8.2 | 4.9 | EconoPIM 3 | Download |
| MPFP100R12DBF | 1200 | 100 | 1.93 | 26.2 | 8.1 | EconoPIM 3 | Download |
| MPFS100R12DBF | 1200 | 100 | 1.81 | 7.23 | 6.6 | EconoPack 3 | Download |
| MPFP150R12DBF | 1200 | 150 | 1.9 | 21.24 | 11 | EconoPIM 3 | Download |
| MPFS150R12DBF | 1200 | 150 | 1.92 | 12.4 | 9.3 | EconoPack 3 | Download |
硅基芯片及模组系列
第三代半导体芯片及模组系列